PERFILES DE ALUMINIO Y ACCESORIOS

Suministramos perfiles de aluminio estructural para aplicaciones industriales, ideales para la fabricación de estructuras modulares en proyectos de automatización, manufactura e integración de sistemas.
Complementamos nuestra oferta con accesorios de ensamble para perfil de aluminio que facilitan la integración y montaje de estructuras de forma eficiente y precisa.

CY6-2020

Perfil / Profile: 20 x 20

Material: Aluminio 6063-T5

Peso / Weigth: 0.65 kg/m

Longitud / Length: 5.85 m

Momento de Inercia / Mass of Inertia:
Lx: 0.72 cm4 Ly: 0.72 cm4

Modulo de sección / Section Modulus:
Zx: 0.72 cm3 Zy: 0.72 cm3

CY6-2040

Perfil / Profile: 20 x 40

Material: Aluminio 6063-T5

Peso / Weigth: 1.10 kg/m

Longitud / Length: 5.85 m

Momento de Inercia / Mass of Inertia:
Lx: 4.84 cm4 Ly: 1.24 cm4

Modulo de sección / Section Modulus:
Zx: 2.42 cm3 Zy: 1.24 cm3

CY6-2060

Perfil / Profile: 20 x 60

Material: Aluminio 6063-T5

Peso / Weigth: 1.40 kg/m

Longitud / Length: 5.85

Momento de Inercia / Mass of Inertia:
Lx: 14.92 cm4 Ly: 1.84 cm4

Modulo de sección / Section Modulus:
Zx: 4.97 cm3 Zy: 1.84 cm3

CY8-3030

Perfil / Profile: 30 x 30

Material: Aluminio 6063-T5

Peso / Weigth: 1.05 kg/m

Longitud / Length: 5.85 m

Momento de Inercia / Mass of Inertia:
Lx: 2.71 cm4 Ly: 2.71 cm4

Modulo de sección / Section Modulus:
Zx: 1.81 cm3 Zy: 1.81 cm3

CY8-3060

Perfil / Profile: 30 x 60

Material: Aluminio 6063-T5

Peso / Weigth: 1.85 kg/m

Longitud / Length: 5.85 m

Momento de Inercia / Mass of Inertia:
Lx: 20.11 cm4 Ly: 5.33 cm4

Modulo de sección / Section Modulus:
Zx: 6.70 cm3 Zy: 3.55 cm3

CY8-3090

Perfil / Profile: 30 x 90

Material: Aluminio 6063-T5

Peso / Weigth: 2.85 kg/m

Longitud / Length: 5.85 m

Momento de Inercia / Mass of Inertia:
Lx: 59.74 cm4 Ly: 6.81cm4

Modulo de sección / Section Modulus:
Zx: 13.28 cm3 Zy: 4.54 cm3

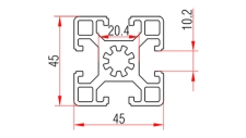
CY8-4040B

Perfil / Profile: 40 x 40

Material: Aluminio 6063-T5

Peso / Weigth: 1.95 kg/m

Longitud / Length: 5.85 m

Momento de Inercia / Mass of Inertia:
Lx: 8.53 cm4 Ly: 8.53 cm4

Modulo de sección / Section Modulus:
Zx: 4.26 cm3 Zy: 4.26 cm3

CY8-4080

Perfil / Profile: 40 x 80

Material: Aluminio 6063-T5

Peso / Weigth: 3.5 kg/m

Longitud / Length: 5.85 m

Momento de Inercia / Mass of Inertia:
Lx: 65.08 cm4 Ly: 16.27 cm4

Modulo de sección / Section Modulus:
Zx: 16.27 cm3 Zy: 8.14 cm3

CY8-40120

Perfil / Profile: 40 x 120

Material: Aluminio 6063-T5

Peso / Weigth: 4.90 kg/m

Longitud / Length: 5.85 m

Momento de Inercia / Mass of Inertia:
Lx: 2.33.91 cm4 Ly: 25.62 cm4

Modulo de sección / Section Modulus:
Zx: 38.99 cm3 Zy: 12.81 cm3

CY10-45×45

Perfil / Profile: 45 x 45

Material: Aluminio 6063-T5

Peso / Weigth: 2.50 kg/m

Longitud / Length: 5.8 m

Momento de Inercia / Mass of Inertia: Lx:12.92cm4 Ly:12.92cm4

Modulo de sección / Section Modulus:
Zx: 5.74 cm3 Zy: 5.74 cm3

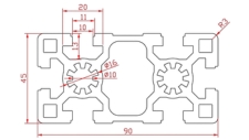
CY10-4590

Perfil / Profile: 45 x 90

Material: Aluminio 6063-T5

Peso / Weigth: 5.5 kg/m

Longitud / Length: 5.85

Momento de Inercia / Mass of Inertia:
Lx: 135.16 cm4 Ly: 34.63 cm4

Modulo de sección / Section Modulus:
Zx: 30.04 cm3 Zy: 15.39 cm3

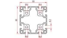
CY8-8080

Perfil / Profile: 80 x 80

Material: Aluminio 6063-T5

Peso / Weigth: 4.5 kg/m

Longitud / Length: 5.85

Momento de Inercia / Mass of Inertia:
Lx: 100.96 cm4 Ly: 23.99 cm4

Modulo de sección / Section Modulus:
Zx: 22.44 cm3 Zy: 10.66 cm3

T-Nut

• TN-M4-6-20
• TN-M5-6-20
• TN-M5-8-30
• TN-M6-8-30

• TN-M6-8-40
• TN-M8-8-40
• TN-M6-10-45
• TN-M8-10-45

Half Round Nut

• HRN-M4-20
• HRN-M5-20
• HRN-M5-30
• HRN-M6-30

• HRN-M6-40
• HRN-M8-40
• HRN-M6-10-45
• HRN-M8-10-45

Bracket

• B2020-6
• B3030-8
• B4040-8

• B4545-10
• BCY80 (P114)

Interior Bracket

• IB20
• IB30
• IB40

• IB45
• IB80

Handle

• H90
• H120
• H180

End Cap

• Cap-2020
• Cap-3030
• Cap-3060
• Cap-4040

• Cap-4080
• Cap-4545
• Cap-4590
• Cap-8080